- √产品中心
- 铝型材外壳
- 铝制机箱(经济型)
- 铝制机箱(豪侈型)
- 塑胶面框钣金铝制机箱
- 压铸铝信号放大器外壳
- 压铸铝铝防水盒外壳
- 钣金机箱
- CNC机加工铝铣件产品
- 塑胶防水盒
- 塑胶台式仪表机箱
- 塑胶台式外壳
- 门禁、读卡外壳
- 网络外壳
- 手持、便携式外壳
- 各种通用塑胶外壳
- 电源、充电器外壳
- 工具箱
- 工控盒
- 导轨电器模块盒
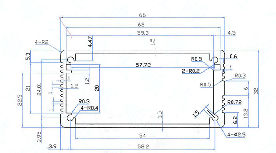
HF-A-92 32*66 *(L)任意
- 产品详情
简要说明:广泛用于仪器仪表电子行业,电力通信,地铁工程,医疗设备,公共广播系统。如做屏蔽盒、车载电源外壳、视频服务器、无线平台、GPS/GPRS壳、逆变器外壳、搞干扰器外壳、CPU散热器壳等。可根据客户要求开模定制。
产品参数:
【产品型号】:HF-A-92
【产吕名称】:铝型材壳体
【产品材料】:6063挤压铝型材
【产品规格】:32(H) *66(W) *(L)任意
【表面处理】:可做一次喷沙氧化、拉丝氧化、二次氧化及喷涂处理
【产品颜色】:可根据客户要求任意定制。
【产品加工】:可根据客户要求进行局部加工。
产品参数:
【产品型号】:HF-A-92
【产吕名称】:铝型材壳体
【产品材料】:6063挤压铝型材
【产品规格】:32(H) *66(W) *(L)任意
【表面处理】:可做一次喷沙氧化、拉丝氧化、二次氧化及喷涂处理
【产品颜色】:可根据客户要求任意定制。
【产品加工】:可根据客户要求进行局部加工。
上一个: HF-A-91 52*72 *(L)任意










